Показано с 1 по 21 из 21

Тема: Предохранители Родиус

  1. #1
    Местный Аватар для Grumbler7
    Имя
    Игорь
    Регистрация
    25.04.2013
    Адрес
    Москва, Орехово-Борисово
    Сообщений
    1,998

    Предохранители Родиус

    - Попытался сделать перевод предохранителей на Родиус (ВОРДовский вариант), подкапотный блок и салонный блок.
    За основу взял перевод на Рекстон, оставшуюся часть доделывал сам, но осталось несколько позиций, которые не знаю и в которых не уверен, поэтому кто может - добавляйте/поправляйте

    - В подкапотном блоке предохранитель (DSL) FFH 20A F6 - похоже предохранитель ППП (ПредПусковой Подогреватель).

    - 3 (три) предохранителя по 40А на "+" колодке АКБ (черная пластиковая коробочка) - для РТС heater (ПТК - подогреватель на положительном температурном коэффициенте, в просторечии "фен"). По одному предохранителю на "спираль" (ТЭН).
    Вложения Вложения
    Последний раз редактировалось Grumbler7; 10.12.2014 в 10:07.
    _______________
    SY Rodius RD400

  2. #2
    Местный Аватар для EvgenP
    Имя
    Евгений
    Регистрация
    25.04.2013
    Адрес
    ХМАО-Югра, г.п. Андра
    Сообщений
    1,495
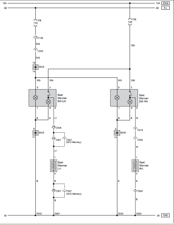
    Пригодился перевод - нашёл перегоревший предохранитель на 15А и заменил на 30А подогрев сидений, поскольку у меня на пассажирскую кнопку запитан 2 ряд сидений. Пока всё отлично, работают сзади быстрее водительского попогрея. Вот схемка, может кому сгодитсяСхема-ж-грея-Kyron.jpg У меня вопрос к знатокам в электрике: куда подключить можно подогрев трубки вентиляции картерных газов? А то у нас жмут морозы -37, боязно становится, что масло через щуп выдавит.
    СерыЙ Родион 08, 165 л.с., АКПП, 4WD, 9 мест, кореец был, теперь

  3. #3
    Мужики подскажите какой и где предохранитель на габариты правая сторона? Что то не могу узреть сверху, где Игорь выложил.
    Ssangyong Rodius 2.7 Xdi 4WD 2008г RD-500 5-акпп кореец серый метал

  4. #4
    Местный Аватар для Grumbler7
    Имя
    Игорь
    Регистрация
    25.04.2013
    Адрес
    Москва, Орехово-Борисово
    Сообщений
    1,998
    F17 задний правый
    F16 задний левый

    или еще как надо?
    _______________
    SY Rodius RD400

  5. #5
    Игорь спасибо. Что то я затупил.
    Ssangyong Rodius 2.7 Xdi 4WD 2008г RD-500 5-акпп кореец серый метал

  6. #6
    Местный Аватар для vitteoz
    Имя
    Виктор
    Регистрация
    25.10.2013
    Адрес
    Таганрог, Ростовская область
    Сообщений
    257
    Игорь, подскажите по файлу pdf с предохранителями. Судя по переведенным колонтитулам, это вырезка из русскоязычного сервисного мануала.
    у Вас есть русскоязычный сервисный мануал?
    SY Rodius xDi 2.7, 165л/с, SV270, AWD(TOD), АКПП, 2008г. белый 7 мест
    "О, Донна Роза! Я старый солдат и не знаю слов любви..."

  7. #7
    Местный Аватар для РоманВТ
    Имя
    Роман
    Регистрация
    25.04.2013
    Адрес
    г. Новочебоксарск
    Сообщений
    6,871
    Цитата Сообщение от vitteoz Посмотреть сообщение
    Судя по переведенным колонтитулам, это вырезка из русскоязычного сервисного мануала.
    у Вас есть русскоязычный сервисный мануал?
    нет его в природе!!!!!!!
    это он сам постарался
    был . Ssangyong Rodius 2.7 Xdi 4WD 2007г RD-270 5-акпп вместе 6,5 лет
    теперь Ssangyong Rodius 2.7 Xdi 4WD 2007г RD-270 5-акпп . рестайлинг .

  8. #8
    Местный Аватар для Grumbler7
    Имя
    Игорь
    Регистрация
    25.04.2013
    Адрес
    Москва, Орехово-Борисово
    Сообщений
    1,998
    Цитата Сообщение от РоманВТ Посмотреть сообщение
    нет его в природе!!!!!!!
    это он сам постарался
    И так и не так :)

    Цитата Сообщение от vitteoz Посмотреть сообщение
    Игорь, подскажите по файлу pdf с предохранителями. Судя по переведенным колонтитулам, это вырезка из русскоязычного сервисного мануала.
    у Вас есть русскоязычный сервисный мануал?
    Вордовский файл это то, что я делал самостоятельно, а пдф-ский мне попался позже и это действительно вырезка из сервис-мануала. Этот мануал в природе существует (существовал), но очень редок, думаю был у кого-то из официалов. К сожалению, я даже не помню, где и как он мне попался... Целиком у меня его нет, есть немного по электросхемам.
    _______________
    SY Rodius RD400

  9. #9
    Местный Аватар для vitteoz
    Имя
    Виктор
    Регистрация
    25.10.2013
    Адрес
    Таганрог, Ростовская область
    Сообщений
    257
    А можете поделиться в теме по документации? (по АБС создал отдельную тему)
    Последний раз редактировалось Grumbler7; 21.05.2014 в 07:55.
    SY Rodius xDi 2.7, 165л/с, SV270, AWD(TOD), АКПП, 2008г. белый 7 мест
    "О, Донна Роза! Я старый солдат и не знаю слов любви..."

  10. #10
    Местный Аватар для Grumbler7
    Имя
    Игорь
    Регистрация
    25.04.2013
    Адрес
    Москва, Орехово-Борисово
    Сообщений
    1,998
    Цитата Сообщение от vitteoz Посмотреть сообщение
    А можете поделиться в теме по документации? ...
    Сожалею, что зазря обнадежил - сейчас порылся, там по электрике только касаемо "приблуд" - камера заднего вида, парктроник и т.п.
    _______________
    SY Rodius RD400

  11. #11
    Добавьте 3 передохр. по 40А на "+" колодке АКБ - для РТС heater (ПТК - подогреватель на положительном температурном коэффициенте, в просторечии "фен"). По одному предохранителю на "спираль" (ТЭН).
    PTC_SY_RD.gif
    Последний раз редактировалось Medik; 10.12.2014 в 10:16. Причина: Добавлена схема
    SY Rodius, 2007, RD, 2,7 Xdi, AWD (TOD), A/T (MB 722.6), LAK

  12. #12
    Местный Аватар для Grumbler7
    Имя
    Игорь
    Регистрация
    25.04.2013
    Адрес
    Москва, Орехово-Борисово
    Сообщений
    1,998
    Да Антон, спасибо, а то вроде все про них знают, но не написано :)
    _______________
    SY Rodius RD400

  13. #13
    Член Клуба Аватар для RealRet
    Имя
    Сергей
    Регистрация
    17.10.2013
    Адрес
    Москва, САО
    Сообщений
    814
    На 15-м предохранителе еще и передние стеклоочистители в режиме омывания и датчика дождя (прерывистый режим).
    Ssang Yong Rodius 2.7 Xdi 4WD AT RD 500, 168 лс, 2011 год, кореец, взят новым в феврале 2012, чип от Vahmurka, 500 Н/м, 213 л/с

  14. #14
    Местный Аватар для Anoukk
    Имя
    Anoukk
    Регистрация
    05.05.2017
    Адрес
    Курорт "Озеро Медвежье"
    Сообщений
    312
    Ребята, не подскажите пожалуйста, печка задняя в предохранителях это F22 или N9 в салонном? Или я не так поняла? Чего-то никак не могу разобраться.
    Последний раз редактировалось Anoukk; 03.06.2018 в 18:34.
    Черный Родя, 2,7, полный, люстра и проставки от Kitt-а, 11-3=8 мест, автомат.Кореёза.
    Мечтайте, пока за это налоги не взяли...

  15. #15
    Местный Аватар для РоманВТ
    Имя
    Роман
    Регистрация
    25.04.2013
    Адрес
    г. Новочебоксарск
    Сообщений
    6,871
    Цитата Сообщение от Anoukk Посмотреть сообщение
    Ребята, не подскажите пожалуйста, печка задняя в предохранителях это F22 или N9 в салонном? Или я не так поняла? Чего-то никак не могу разобраться.
    RLY15 под капотом
    был . Ssangyong Rodius 2.7 Xdi 4WD 2007г RD-270 5-акпп вместе 6,5 лет
    теперь Ssangyong Rodius 2.7 Xdi 4WD 2007г RD-270 5-акпп . рестайлинг .

  16. #16
    Местный Аватар для Anoukk
    Имя
    Anoukk
    Регистрация
    05.05.2017
    Адрес
    Курорт "Озеро Медвежье"
    Сообщений
    312
    Благодарствую!!!!
    Черный Родя, 2,7, полный, люстра и проставки от Kitt-а, 11-3=8 мест, автомат.Кореёза.
    Мечтайте, пока за это налоги не взяли...

  17. #17
    Местный Аватар для Anoukk
    Имя
    Anoukk
    Регистрация
    05.05.2017
    Адрес
    Курорт "Озеро Медвежье"
    Сообщений
    312
    Ребята, я у кого-то видела схемку предохранителей, на русском для родиуса, была ба благодарна, если бы указали путь, где посмотреть?

  18. #18
    Местный
    Имя
    Михаил
    Регистрация
    22.09.2016
    Адрес
    Беларусь
    Сообщений
    1,148
    У меня есть и у камрада уже была проблема )) тыц
    SY RODIUS / 07.11.2005 / D27DT A/T 4WD (EXPORT) / SPACE BLACK

  19. #19
    Член Клуба Аватар для LAVR
    Имя
    Олег
    Регистрация
    25.04.2013
    Адрес
    Калужская обл.,г.Обнинск , г.Москва, Отрадное
    Сообщений
    8,558
    Цитата Сообщение от Михась Посмотреть сообщение
    У меня есть и у камрада уже была проблема )) тыц
    Ещё бы этот тыц с переводом :-)
    Серебристый 2009 г Rx-2,7 xDI / АКПП / вместе 327723 км / До Луны осталось ещё каких-то ~56000 км../..вернулся в родные пенаты!
    Темно-красный TOYOTA RAV-4 / AWD / 2017 г. / 2,2-Дизель /А/Т / (назвали Рафаэлем))
    Белый перламутровый TOYOTA Fortuner 4WD / 2017 г./ 7 мест, 2,8D, А/Т(просто Форч))... был... переехал во Владивосток ...
    клубная карта #0137
    "Если вы устали морально, надо отдохнуть...аморально!"
    Вино нам нужно для здоровья. А здоровье нужно чтобы пить водку

  20. #20
    Местный
    Имя
    Михаил
    Регистрация
    22.09.2016
    Адрес
    Беларусь
    Сообщений
    1,148
    ну... на русском у меня нет.
    да и так все понятно
    предохранитель заднего дворника указан
    SY RODIUS / 07.11.2005 / D27DT A/T 4WD (EXPORT) / SPACE BLACK

  21. #21
    Местный Аватар для РоманВТ
    Имя
    Роман
    Регистрация
    25.04.2013
    Адрес
    г. Новочебоксарск
    Сообщений
    6,871
    Цитата Сообщение от Anoukk Посмотреть сообщение
    Ребята, я у кого-то видела схемку предохранителей, на русском для родиуса, была ба благодарна, если бы указали путь, где посмотреть?
    https://yadi.sk/i/YoxqkeEUea3MoA
    был . Ssangyong Rodius 2.7 Xdi 4WD 2007г RD-270 5-акпп вместе 6,5 лет
    теперь Ssangyong Rodius 2.7 Xdi 4WD 2007г RD-270 5-акпп . рестайлинг .

Ваши права

  • Вы не можете создавать новые темы
  • Вы не можете отвечать в темах
  • Вы не можете прикреплять вложения
  • Вы не можете редактировать свои сообщения
  •