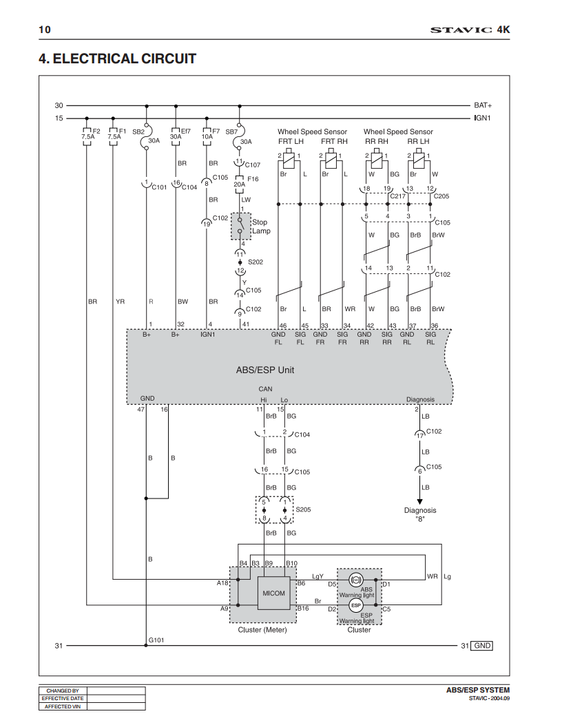
У меня сейчас проблемка есть с датчиком скорости на заднем правом колесе.
Раньше то работал то нет - результат: чек авд, абс то горел, то гас после выключения/включения зажигания.
Сейчас постоянно горит. Сам датчик целый - Я его воткнул в левое колесо. Там работает норм. Сначала мысль проскочила "фух, слава богу датчик целый", а потом "блиииин, лучше б датчик. его поменял и все, а с проводкой теперь ковырять салон." Пока добрался только до C102-го разъема (в пассажирских ногах за боковой панелькой)

